×
搜索
搜索
网站导航
首 页
关于我们
产品中心
公司展示
新闻中心
视频中心
人才招聘
应用领域
工件展示
联系我们
您的位置:
首页
→
产品中心
→
CNC精密自动车床
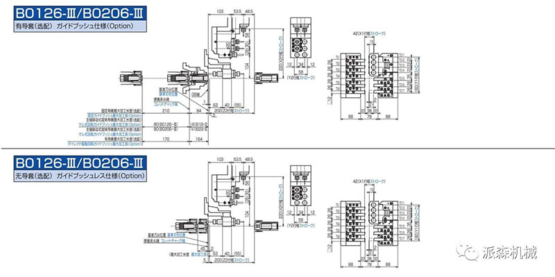
CNC精密自动车床B0206-III
上一个:CNC精密自动车床B0205-III
下一个:CNC精密自动车床BM163-III
详情介绍
东莞市派森有限公司 版权所有
技术支持:
东莞网站建设